本当はフルトラにしたいんだけど、使えるイグナイターが見つからない。
そんじゃ、とりあえずのアーシング(しつこいですがこの造語大嫌いです。判り易いように使ってます)。
世の中のアーシング。やたらと電線を引き回し『下手な鉄砲、数打ちゃ当たる』を地で行っている。
一応電気で飯を食っているピンキー君。こんな事をしたら常連さんにバカにされちゃうのがミエミエ。
で、アーシングの基本。迷走電流をなくす事。
まず、プラグへの給電。電気回路と言うとおり、電気を加えるだけではダメで戻す配線も必要。
要はプラグへ行く電気はハイテンションコードで気を使って送っているのに、戻る電気はエンジン、フレームを適当に戻って来るだけ。
つまり、電気は何処を通って戻れば良いのか判らず右往左往。これが迷走電流の正体です。
解決法は戻る電流の為の配線をキッチリと這わす事。
この場合、プラグの周辺からコイルまでの戻る回路。
単に抵抗値だけを考えると、金属の塊のエンジンとシャシですから問題は無い筈ですが、現実には問題山積。
理想はプラグをエンジンから電気的に絶縁してキッチリと配線するのがベストですけど其れは無理。
不思議とエンジン、シャシ(フレーム)の回路を残した侭でも戻る配線を這わすと間違いなく効果が有るんですね。
迷走電流って想像以上に悪さをしているみたいです。
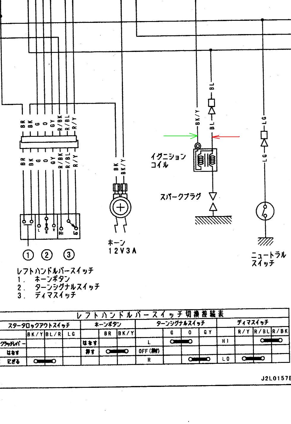
で、シェルパの回路。

コイルへの配線で、図面の通り考えてウッソーー。
緑矢印が-配線で赤矢印がCDIユニットへ繋がっているんですね。
一次コイルは働きますけど、問題の二次コイル(高圧コイル)。回路として完成しない(しいて言えば一次コイルをシリーズに考えて)。
ウソだろうと考えて、サービスマニュアルのCDIの動作原理図を見てヤッパリ。
CDIへの配線とアースへの配線が逆。
実車は、きちんと配線されていると思います。
BMだって、配線図どおりだったら配線が燃えちゃう接続でしたし(笑)。
結構、サービスマニュアルってミスプリが多いんですね。
で、この場合のアーシング方。シリンダーヘッドのプラグに一番近いボルトとコイルの-端子をダイレクトに太く短い配線を繋げばOKです。
今日は雨でハイエース出勤でしたので、天気が回復したら実行しますね。
乞うご期待。
[1回]
PR